免职声明:本网站为公益性网站,部分信息来自网络,如果涉及贵网站的知识产权,请及时反馈,我们承诺第一时间删除!
This website is a public welfare website, part of the information from the Internet, if it involves the intellectual property rights of your website, please timely feedback, we promise to delete the first time.
电话Tel: 13002979178 OR 邮箱Email: Lngbbs@qq.com
摘要:模拟滤波 为什么模拟视频要使用过滤技术呢?如前所述,将模拟视频信号与数字视频信号相互转换是很常见的。对显示器和DVD刻录机等接收设备来说,这就需要使用模数转换器(ADC)。对机顶盒和DVD播放器来说,就需要使用数模转换器(DAC)。ADC和DAC提供的画质都取决于..
|
模拟滤波
为什么模拟视频要使用过滤技术呢?如前所述,将模拟视频信号与数字视频信号相互转换是很常见的。对显示器和DVD刻录机等接收设备来说,这就需要使用模数转换器(ADC)。对机顶盒和DVD播放器来说,就需要使用数模转换器(DAC)。ADC和DAC提供的画质都取决于采样频率。 为了保持较好的图像质量,经数据转换的图像必须经过滤波(见图1)。这时我们就要在信号路径上放置模拟滤波器。用滤波器来消除DAC图形(即重构滤波器)。
图1 经过滤波器的标清视频DAC图形 消除DAC和ADC图形可提高画质。不过,我们应采用哪种滤波器类型呢?需要多少极点呢?最适合视频信号的截止频率、平坦度和群延迟是什么呢?如果问10位工程师这个问题,我们可能会得到10个不同的答案。 比较好的做法是,尽可能保持带通的平坦度,以及大部分衰减靠近数据转换器的采样频率。如果只考虑这个要求,我们可以采用椭圆滤波器或契比雪夫滤波器等类型。如果只关心电平平坦度和衰减,那么这些滤波器会比较理想,使任何系统都能满足SMPTE滤波器的特性要求。不过,我们不能忘记群延迟,因为SMPTE标准还包括群延迟方面的限制,系统应努力满足上述两种要求,而不是只满足一种要求。 因此,我们必须在电平平坦度、截止频率、衰减和群延迟差异间取得平衡,以获得合适的视频滤波器。大家一致认为,巴特沃思滤波器对消费类电子视频来说是一种较好的平衡型滤波器,电平响应实现了最大的平坦度,衰减率适当,群延迟也不错。它虽说不上是最理想的,但通常对系统而言已经足够好了。 滤波器示例 THS73x3系列是集成滤波器/放大器,采用功能改进型五阶巴特沃思滤波器结构,略微降低了Q 或峰值因数,以最小化群延迟差异。其缺点在于,平坦度不像真巴特沃思滤波器那么理想,但衰减性基本相同。 我们选择了五个极点而不是四个或六个,这是因为奇数阶滤波器有真正的实极点,而不是像偶数阶滤波器那样都提供复极点。有人可能认为实极点没什么关系,不过实际经验证明,实极点对有源滤波器系统会非常有用,特别是在采用 Sallen-Key架构时。Sallen-Key系统中有高频路径通过,能较方便地通过放大器带宽限制以外的高频。系统中的实极点可将高频信号通过旁路接地,不受放大器带宽限制的影响。因此,这有助于确保滤波器保持高频。 为了显示群延迟和电平平坦度的影响,我们模拟了一个五极的0.5dB契比雪夫滤波器,截止频率(在-0.5dB以下时)为10MHz。此外,我们还模拟了五阶功能改进型巴特沃思滤波器,截止频率(以-3dB以下时)为8.5MHz。从图2中可以看出每个滤波器的电平响应。与预期一样,契比雪夫滤波器的纹波为0.5,不过平坦度为10MHz,大大超过巴特沃思滤波器的平坦度。此外,在27MHz的临界点上,契比雪夫滤波器的衰减率较高,达到了56dB的衰减率。在27MHz上,巴特沃思滤波器只实现了46dB的衰减率。事实上,这对视频系统而言已经足够了。
图2 滤波器电平响应 使用有源滤波器时要牢记,滤波器的Q越高,放大器的带宽就越高。如果使用贝塞尔或巴特沃思滤波器乃至更高阶的版本,我们要把各级的Q保持相对较低。设计支持椭圆或契比雪夫响应的滤波器,其Q值较高,需要较高带宽的放大器才能适当实施。否则,放大器对滤波器就会造成影响,从而改变我们所需的响应。我们可通过修改组件值来实现上述目标,不过放大器之间的差异会因此变得更大。 无源滤波器和有源滤波器的比较 无源滤波器因为其成本较低,所以在目前比较常见。不过,在PCB电路板面积、占用、额外组件数量、组装时间、带通信号损失、对电感器造成电磁干扰以及容限方面,它又存在一些缺点。电感器和电容通常会存在±10%个体差异,特别是低成本组件的差异会更大一些。 在集成有源滤波器设计中(比如 THS73x3 所采用的单位增益Sallen-Key滤波器),平坦度和峰值的差异可以得到严格的控制。我们对单位增益Sallen-Key滤波器进行敏感度分析。可以看出,只要电阻间和电容间与单位增益的匹配比较严格,那么只有截止频率会有所差异,Q不会出现差异。如果Q出现差异,那么就会导致较大的群延迟差异,这是我们所不愿看到的。只要采用高质量电容和电阻,在假定放大器的自然带宽大大高于滤波器的截止频率情况下,有源滤波器的可控特性就必将大大优于无源滤波器。此外,有源滤波器占用的 PCB 电路板面积也要小很多,只需采购一个组件,这样就大大减少了组件数量。 多极无源滤波器还有一个重要特点,就是其截止频率不能轻易地被修改,若想修改就要花费大量工作,成本也很高。设计支持可选滤波器的有源滤波器就非常容易实施。对于不必改变滤波器频率的CVBS和S-Video系统来说,这一特性并不怎么吸引人,不过,对分量视频系统或G’B’R’系统来说,改变滤波器的频率就非常有用了,这样就能设置为 SD、ED或HD(720p/1080i)乃至1080p HD等不同标准。 上述情况对接受 Y’P’BP’R或G’B’R’分量视频信号的接收机系统来说尤为重要。举例来说,如果我们用固定的35MHz无源滤波器为显示器提供所有分量信号,那么在输入端采用480i或576i SD分量信号怎么办呢?一般的 DAC 对这种信号的采样频率为27MHz。如果DAC不带重构滤波器的话,那么27MHz基本频率两侧出现的图像将直接通过显示器的无源35MHz滤波器,造成图像未经衰减,因此显示器上显示的画质通常非常差。 ED 480p/576p信号也可能出现这种情况。此类信号通常采样频率为54MHz,视频带宽为 12MHz。因此,第二Nyquist区图像会在42MHz时出现。如果无源滤波器为35MHz或更高,那么图像的衰减也会很小,同样也会导致画质非常差。 这就说明了,可选滤波器对使用THS7303的DAC侧和使用THS7353的ADC侧的重要性。这种集成的滤波器/放大器采用可选的五阶功能改进型巴特沃思滤波器结构,可设为9MHz,满足 SD信号的需要,也可设为16MHz,满足ED信号需要,还可针对HD 720p/1080i信号设为35MHz,针对1080p等极快的信号设为大于150MHz的旁路模式。图3显示了有关情况。
图3 固定滤波器与可选滤波器的比较 为了提高灵活性,THS73x3的每个通道必须能实现独立控制。利用这一特性,我们就能选择35MHz以支持Luma通 高端系统而言(其相位偏移和群延迟为非常重要的参数)也能受益于上述特性。这时,我们可用16MHz滤波器支持SD信号,确保整个SD频带内都能实现平稳的平坦响应,时域脉冲响应几乎不会出现过冲。这对支持ED信号的35MHz滤波器以及支持HD信号的旁路模式同样适用。 最后,无源过滤在不同频率上会造成较大阻抗差异,这会导致DAC和ADC的交互问题。此外,如果源电阻或端接电阻超出了75Ω的要求,也会导致振铃问题。THS73x3有源滤波器/放大器缓解了这一问题,其输入阻抗可大于1MΩ,而其输出阻抗在10MHz时则小于1Ω,从而有助于消除ADC的反冲问题或解码器输入钳位问题。 电源电压和功耗 大多数视频系统都采用单电源数据转换器,供电电压为3.3V。如果该电源可用于视频滤波器/放大器,那么系统使用会比较简单,也有助于减少一到两个电源数量,从而降低成本。THS73x3器件利用这一特点,采用2.7~5V的单电源工作。BiCom-3工艺根据设计,可以工作在上述电压上,在整个工作范围内都不会产生性能下降的问题。 图4显示了THS7303放大器作为DAC缓冲、接受外部输入的典型配置。它同时还使用3.3V电源,支持输出端的SAG校正。
图4 THS7303采用3.3V单电源的典型系统配置 功耗是另一个要考虑的因素。类似于THS73x3产品的5V单电源器件有很多,但大多功耗都达到500mW以上,有的甚至高达1.2W,这就会导致芯片温度非常高,很容易影响长期可靠性。THS73x3的工作电压为3.3V,功耗仅为55mW,这几乎消除了散热和可靠性方面的问题。 信号耦合 如果系统设计中已经采用了THS7303或THS7313 6dB增益放大器,并采用了参考接地的DAC或编码器驱动,那么DC输入模式会很理想。问题在于,DAC生成的电压有多低?如果同步信号(通常这是视频信号中电压最低的)电压低于50mV,那么6dB放大器的输出就应生成低于100mV的电压,由于CMOS和双极放大器都存在晶体管饱和方面的限制,因此这对任何放大器来说都是很难做到的。 为了消除这一限制,所有THS73x3产品都支持DC+Shift模式,其可以为视频输入信号增加内部DC电压偏移。这种偏移只是内置的,不会影响应用信号,这种偏移还将确保即便THS73x3的输入为0V,输出也不会饱和,不会出现视频剪切。 如果DAC输出电压仅为100mV,那么DC输入模式就是非常理想的。这种模式不会给系统增加偏移,因为系统根本不需要偏移。要牢记,任何放大器都存在偏移,对THS73x3也一样。 如果DAC的参考电压为3.3V或1.8V或者是外部输入,那么采用AC耦合就是最佳模式。AC耦合使THS73x3能忽略DC偏置点的来源,并能重新建立自己的DC偏置点。AC耦合选项包括AC偏置和AC同步端钳位。 AC偏置非常简单。THS73x3有两个电阻,其可在电源和接地间创建分压器。该模式的输入阻抗为20kΩ,因此所用的电容应足够大,以尽可能减小倾斜或下垂问题。该模式最适用于Chroma或色差信号,也可用于Luma信号、G’B’R’信号或计算机的R’G’B’信号。由于信号为AC耦合,且DC偏置点与平均信号电平有差异,因此对于带5V电源同步信息的信号而言,我们最好用AC偏置模式,以确保没有剪切问题发生。 正在申请专利的AC同步端钳位 (STC) 模式(见图5)最适合视频信号最低点同步的信号,这就是说,Luma (Y’)、带同步功能的G’B’R’或带同步信号的计算机R’G’B’最好都采用AC-STC 模式。THS73x3中的同步端钳位系统具有内部电流汇集(current-sink) 功能以将耦合电容放电,用滤波器来最小化可能存在的高频干扰信号交互,用放大器来监控输入电压和参考电压的差别,并在信号低于参考电压时用晶体管为电容充电。因此,这是一种动态的系统,根本不依靠计时技术。这种类型的系统通常也称作DC恢复系统,而不是二极管钳位系统。二极管钳位系统的问题在于:任何高频信号或过冲都会对其造成影响,从而导致过大DC偏置点偏移,并造成信号剪切。
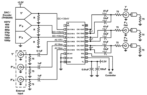
图5 AC-STC基本系统 输出功能 线路驱动器放大器的最常见输出配置就是采用AC耦合,以消除任何可能的DC偏置电流,使系统更具有通用性。放大 在某些系统中,DC偏置电流不是主要问题。相反,成本和PCB电路板的尺寸反而更加重要。THS73x3支持DC耦合,不会因为轨至轨输出放大器级而造成问题。输出摆幅在电源和接地的100mV范围之内,可驱动高达80mA的电流。 其他系统可能需要AC耦合,但PCB电路板的尺寸非常重要。THS7303和THS7313具有灵活性可支持SAG校正,这是实现上述目标的一种办法。SAG校正需要两个电容,但电容的体积要较小,额定值仅为47μF和33μF,其可能实现与330μF电容相同的倾斜性能。如果分别将其提高到68μF和 47μF,那么将能实现相当于470μF电容的性能。 SAG功能能在频率降低时提高增益,从而实现上述性能。放大器增益抵消了47μF电容的下降,从而扩大了可实现的带通。选择33μF电容时,可获得较小的峰值或Q增强,这会使视频系统实现适当的线路倾斜或低垂,特别是能够支持场方波信号。 图6显示了SAG在THS7303和THS7313中的基本配置情况。其他厂商也使用了SAG校正技术,但其通常要求较大的电容或电压更高的电源,这样才能满足系统出现较大DC增益的要求。
图6 THS7303系统级示意图 |






















